
扫二维码查看手机官网
一、用途及特点
ZG系列惯性振动器是利用装在双轴三相异步电机转子两端的偏心块提供振动力的一种新型振动驱动装置。用来作为振动机械(如振动给料机、振动输送机、振动筛分机、振动落砂机、振动破碎机、振动提升机、振动实验台等)的激振源,也可直接用于作为仓壁振动器,由于其使用方便、结构简单,因而被矿山、冶金、建材、化工、电子、机械、粮食等各行各业采用。
ZG系列惯性振动器与其它振动器(如电磁振动器、偏心连杆振动器等)相比,具有体积小、重量轻、结构简单、拆装方便、噪音小、功率因数高,振动力可以无级调节等特点。
二、型号说明及主要技术参数


注:本电机为三相Y接法,电源频率50赫兹
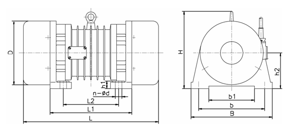
三、外形安装尺寸


联系人:徐先生
手机:13606278586
电话:0513-88622487
邮箱:haqtx@126.com
地址:江苏省南通市海安市曲塘镇
Copyright © 2022-2025 南通市恒昌石油机械有限公司 All rights reserved. 版权所有
中华人民共和国非经营性ICP编号:苏ICP备12021191号